Our first scientific paper on ceramic coatings for ATFs systems is finally published (in press) at the Journal of Nuclear Materials and it can be downloaded in this link.

The paper addresses on the radiation tolerance of nanocrystalline magnetron-sputtered titanium nitride thin films. The coatings were subjected to medium energy heavy-ion irradiation at the homologous temperature of around 0.15Tm as to reproduce the operational envelope conditions of Light-Water Reactors.
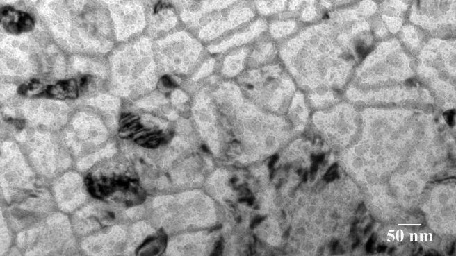
Cutting-edge post-irradiation electron microscopy characterisation techniques have indicated that the microstructure suffered with Radiation-Induced Segregation (RIS). The microstructure of the TiN was monitored in situ within a modern Hitachi Transmission Electron Microscope and revealed that: (i) Ti segregates along the grain boundaries and (ii) the nucleation and growth of inert gas bubbles accelerate the RIS phenomenon.
These results — a significant contribution to the field of accident tolerant fuels — call for more radiation tolerant coating materials systems!
